| Availability: | |
|---|---|
| Quantity: | |
MCV-01L
OEM
-Hinged double disc check valve
-Removable center section (3 piece design) allows for easy field replacement (no cutting into pipe & re-certification)
- Available in sizes ¾" to 4"
- Maximum 300 psig
- Install in any position
- Straight through configuration minimizes changes in flow velocity
- Spring assisted closing ensures valve closes
quickly, before reversal of flow
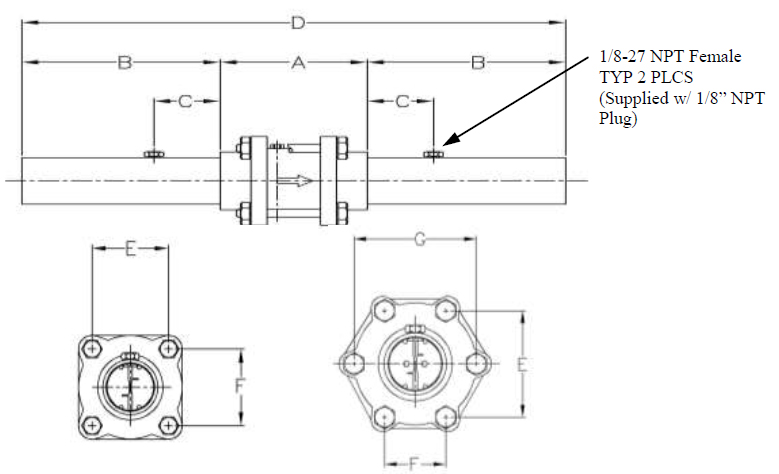
- Dual 1/8 NPT purge ports
- Factory brazed extensions allow for fast, lower
cost field installation
- 100% hydrostatically factory tested
- Cleaned & individually bagged for use withOxygen in accordance
Material | Forged Brass ( CW617N, CW614 ,CW602N,ASTM C37700) |
Surface | Natural brass/ chrome plated |
Size | 3/4" to 4" |
Testing pressure | 100% tested with 0.6MPa - 0.8MPa by air |
Connection | Female thread x Female thread ,FXM,MXM |
Valve guarantee | 3 Years |
Samples time | 3 days - Current type |
OEM Acceptable | Yes /ODM , |


